DP-6100 Line Pawl Latches
6170 Series Self Adjusting Spring

DP-6100 Product Picture

The 6170 and the larger 6175 Series Pawl Latches use a helical spring pawl which varies its grip length with rotation and is capable of latching a wide range of support thickness. The sloped pawl design also allows the operator to adjust the applied clamping force.

Four head styles are offered in each size, and an all-stainless knurled head latch is available in the larger size.

Grip Range (G): .039" to .250" (0.99 to 6.35 mm)
Maximum Load Without Distortion: 9 lb

Please note: The finish suffix on this part pertains to the spindle only. The standard finish for the housing and pawl is:


Knurled Head
Knurled Head Latch Dimension Drawing
Part Number Finish
6170-K-Z3CT
Plastic Knob Head
Plastic Knob Head Latch Dimension Drawing
Part Number Head material Finish
6170-P-Z3CT Black Thermoplastic
The knob is supplied unattached and is pressed
onto the head after installing the latch.
Pan Head
Slotted or Hex
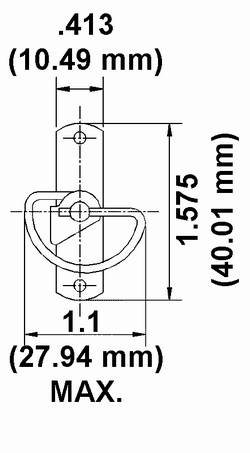
Pan Head Latch Dimension Drawing
Part Number Head Finish
6170-A-Z3CT Slot
6170-A-Z3BT Slot
6170-H-Z3CT Hex

Under-Panel Dimensions Panel Preparation
Latch Dimension Drawing Installation Dimension Drawing